齒輪更換式高速送料機

GF-120/300/400/600

附件:

1. 材料潤滑裝置 (附流量調整).
2. 齒輪 4 只 (客戶指定齒數).
3. 加長型托料架.
4. 末料檢出光電開關 (DC24V NPN).
5. 氣壓式材料夾持釋放裝置.

產品介紹

高速送料機的主要技術特點和創新之處包括以下幾點:

 

  1. 材料潤滑裝置:高速送料機配備了材料潤滑裝置,透過噴霧式或滴油式兩種方式,確保材料運行順暢,並可行流量調整,以符合不同生產需求。
     
  2. 齒輪更換式結構:採用齒輪組合式結構,客戶可根據需求指定齒數,同時提供四只齒輪供更換,增加了機器的靈活性和選擇性。
     
  3. 加長型托料架:設計了加長型托料架,能夠支撐和穩定更寬幅的材料,提高了生產效率和穩定性。
     
  4. 末料檢出光電開關:設置了末料檢出光電開關,可即時檢測材料末端,並自動停止沖床,提醒使用者
    更換材料,確保生產順利進行。
     
  5. 氣壓式材料夾持釋放裝置:具有氣壓式材料夾持釋放裝置,確保材料的穩定夾持和釋放,提供更高的操作精度和穩定性。


這些技術特點和創新設計使得高速送料機在高效、精密、靈活性和穩定性方面具有顯著優勢,能夠滿足不同客戶對於生產要求的需求。

 

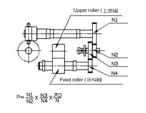
 P=送料節距 (mm)
 N=分割數 
 N1=第 1 齒輸齒數
 N2=第 2 齒輸齒數
 N3=第 3 齒輸齒數
 N4= 第 4 齒輸齒數
 D=送料滾輪直徑(mm)

 

 

 

 

 

 

 

 

GF-120/300/400/600
齒輪更換式高速送料機

機型

GL-120

GL-300

GL-400

GL-600

Thickness of material 材料厚度 (mm)

0.2~1.0

0.2~1.0

0.2~1.0

0.2~1.0

Width of materia 材料寬度 (mm)

30~120

50~300

50~400

78~600

Feed roller dia 送料滾輪直徑 (mm)

Ø70

Ø70

Ø100

Ø120

Feed length 送料長度 (mm)

15~250/4~90

15~300

10~350

10~578

Index numbers 分割數

4/12

4

4

3

Feed angle 送料角度

180°

180°

150°

180°

Release angle 鬆弛角度

135°~195°

135°~195°

110°~220°

110°~220°

Feed direction 送料方向

Left→Right 左→右

 

相關產品

齒輪更換式高速送料機

齒輪更換式高速送料機

GF-120/300/400/600